与门

从小巧的电子手表,到复杂的电子计算机,它们的许多元件被制成集成电路的形式,即把几十、几百,甚至成干上万个电子元件制作在一块半导体片或绝缘片上。每种集成电路都有它独特的作用。有一种用得最多的集成电路叫门电路。常用的门电路有与门、非门、与非门。

什么是门电路

“门”顾名思义起开关作用。任何“门”的开放都是有条件的。例如.一名学生去买书包,只买既好看又给买的,那么他的家门只对“好看”与“结实”这两个条件同时具备的书包才开放。

门电路是起开关作用的集成电路。由于开放的条件不同,而分为与门、非门、与非门等等。

与门

我们先学习与门,在这之前请大家先看图15-16,懂得什么是高电位,什么是低电位。

图15-17甲是我们实验用的与用的与门,它有两个输入端A、B和一个输出端。图15-17乙是它连人电路中的情形,发光二极管是用来显示输出端的电位高低:输出端是高电位,二极管发光;输出端是低电位,二极管不发光。

15-17.JPG (25673 字节)

实验

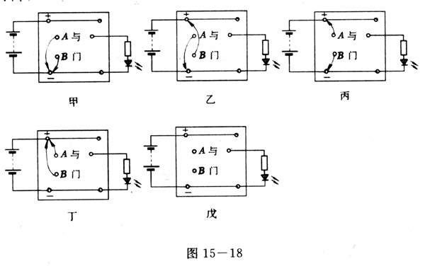
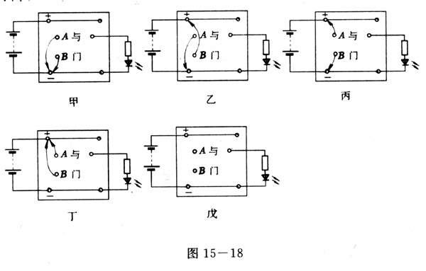
图15-18甲、乙、丙、丁的顺序做实验。图中由A、B引出的带箭头的弧线,表示把输入端接到高电位或低电位的导线。每次实验根据二极管是否发光,判定输出端电位的高低。

15-18.JPG (36539 字节)

输入端着时,它的电位是高电位,照图15-18戊那样,让两输人端都空着,则输出瑞的电位是高电位,二极管发光。

可见,与门只在输入端A与输入端B都是高电位时,输出端才是高电位;输入端A、B只要有一个是低电位,或者两个都是低电位时,输出端也是低电位。输人端空着时,输出端是高电位。

与门的应用

图15-19是应用与门的基本电路,只有两个输入端A、B同低电位间的开关同时断开,A与B才同时是高电位,输出端也因而是高电位,用电器开始工作。

实验

图15-20连接电路。图中输入端与低电位间连接的是常闭按钮开关,按压时断开,不压时接通。

观察电动机在什么情况下转动。

如果图15-20的两个常闭按钮开关分别装在汽车的前后门,图中的电动机是启动汽车内燃机的电动机,当车间关紧时常闭按钮开关才能被压开,那么这个电路可以保证只有两个车门都关紧时汽车才能开动。

 

相关内容:

请介绍你的同学、朋友、弟弟、妹妹等来五一电子网站,每介绍一位会员成功注册可以双方同时获得积分100。本站永久域名:http://www.51dz.com,我要电子之意!

相关广告: